余热利用系统实验台是一套模拟船用柴油机排气余热利用系统试验验证系统。
一、实验台构成与工作原理
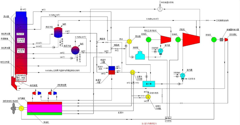
该系统包括空气系统、燃烧系统、余热锅炉系统、汽轮发电机系统、动力涡轮发电系统、有机工质发电系统和控制系统七个部分。应用空气系统及燃气系统模拟船用柴油机排气工作参数,利用排气余热产生高压蒸蒸汽驱动汽轮机做功,燃气驱动动力涡轮、有机工质循环发电,完成船用柴油机排气余热利用系统的实验验证。
二、实验台功能及性能
余热利用主要技术指示和参数:柴油机功率范围10MW-70MW;总发电比8-12%;余热利用系统等效油耗降低5-9%。
三、成果及应用
目前,承担了工信部民船专项"船舶柴油机余热利用系统研制"和船用低速机创新专项(一期)"紧凑式综合能量利用系统研究"项目。

试验台原理图